Storage tanks and special apparatus
Tanks for storage of liquids are required in all areas of public life. Constructions made of thermoplastic plastics are playing a decisive role on this. Beginning with the traditional bucket, which are belonging to our lives since the earliest initiations of plastics technology, up to the 100 m³ storage tank for chemicals and hazardous liquids – there is no way of avoiding constructions made of polyethylene and polypropylene today. Particularly if the cylinder barrel is made of helical extruded pipes, the flexible wall construction (profiled wall structure, multi layer, etc), which comes along with the manufacturing method, in connection with new generations of raw material, continuously opens up new possibilities of solution for the construction of tanks. Thereby new possibilities to connect stability, resistance, long-life cycle and chemical resistivity as well as cost-effectiveness are established. This makes it possible to incorporate them suggestively into construction.
A multitude of tanks is engineered in vertical form. The bottom construction is carried out as flat, beveled or conical bottom. The roof construction in turn can be engineered open – with or without reinforced edges, with cone-type roof or with flat roof.
Horizontal tank constructions are also applied, whereas the calculation and especially the construction can be much more complex.
Horizontal tanks are:
- aboveground with supports
- aboveground in shells
- in some extent carved in the ground (supporting angle mostly 90°-120°
- or subsurfacelly installed.
The most common mounting form is for sure the vertical, cylindrical tank with a flat top, which cylinder is made of helical extruded pipes. The applied load on the tank constructions can normally be derived from the operating conditions.
Attention should be paid to the fact that the tank often is part of a complex construction, which means, it may need suitable additionally installed equipment. Tanks which are for example used in chemical engineering, in filling or decanting stations or as process containers, are often additionally equipped with stirring devices, pumps, metering or tempering devices. The resulting static and dynamic loads have to be considered just as these following general points:
Typical storage tank for hazardous liquids:
|
storage tanks 68 m³, manufactured by PCT, Belgium design acc. DVS 2205 |
without / with collecting device manufactured by PCT, Belgium temperature design: |
Hydrostatics and operating pressures
Hydrostatic conditions result from the kind of medium (density, viscosity) and the conditions of filling (filling cycle, filling level, duration of filling).The resulting operating pressures are decisive for the dimensioning of the cylinder wall, cylinder bottom and roof, as well as for additionally installed equipment. Additional pressures (negative or positive pressure) can be produced by the action of emptying and filling or by external influences like changing weather conditions or wind load.
Chemical resistance
The medium which is filled in can influence the stability and strength durability of the chosen material of the tank. Although Polyethylene and Polypropylene generally have got a very good resistance to a multitude of acids and bases, there are limitations and boundaries of resistance. These boundaries can furthermore be changed by the influence of temperature and reaction time. In many cases the reduction ratio for the used medium is to be found in literature and standards, which make dimensioning easier.
Temperature
The behavior of Thermoplastics is depending on temperature, with increasing temperature tolerable stability and stiffness decrease. This behavior has been adequately proven and follows principles, which allows an exact calculation. The required material data is provided by manufacturers of raw materials and is the base for the dimensioning of pressure pipe systems, sewers etc.
The temperature of the cylinder wall is influenced by the temperature of the medium on the one hand and by the ambient temperature on the other. Normally the average temperature is used for the dimensioning. This procedural method, in which the aspect of time also has to be taken into account, works best if there are only minor or median differences in temperatures. A detailed observation of material property is useful if there are big differences in temperature.
Influence of weather
According to the installation site different climatic conditions can occur. If it is installed inside a building there has to be paid attention only to the ambient air temperature, other climatic conditions can normally be excluded or have just an extremely alleviated effect.
But outside buildings wind, sun, precipitation and ambient temperature have to be considered. The load by weather is naturally dependent on season; furthermore different regions have to be considered differently. Regions are often divided into different areas of weather, for which the frequency and intensity of weather conditions have been empirically defined. A change of weather conditions caused by climate change should be noted if a long term dimensioning is carried out.
Potential danger
Consideration of danger is the central point of all considerations concerning safety, especially if handling with chemicals or other hazardous substances. Here we differentiate between dangers for: persons, subjects and environment. Regulatory requirements differ a lot in the countries of the world, which has to be paid attention to when defining values and rules for safety. That is why there are no readable universal laws for safety.
Operating conditions are also very important because it is a difference if the load is static or varying a lot. Protections like overflow protection, devices for detecting leakages and alarms, as well as the possibility of remote supervision have to be clarified from case to case, but are in any case good instruments to reduce the potential danger. Normally a collecting device or tank is prescribed for dangerous substances, which influences the static load of wind, precipitation and solar radiation in addition to security.
Dimensioning of tanks
Dimensioning of tanks takes place by using principles of strength of materials and plastics technology. Thereby we can fall back on the experience of more than fifty years. For modern pipe material normally corresponding curves and tables are provided by the manufacturers when launching a product, from which you can read necessary figures for short- and long-term usage. In terms of static calculation and temporal scale, you often differentiated between applications. Calculation therefore normally is scheduled to run for 10 or 25 years, in individual cases for 50 years.
In order to be able to get needed material characteristics for the respective time of calculation, you can, concerning to the consideration of load, fall back on hydrostatic strength diagram, which have been determined exemplarily on an axial extruded pipe. The calculation of stability is carried out with material properties, which are based on creep modules, which can be extrapolated from measurement data form up to 10000h. Security of such extrapolations for pipe material made of polyethylene is given by continuing experience for many decades.
For raw materials with laboratory confirmed long term behaviour (hydrostatic strenght curves acc. international standards ISO 1167), a sufficient accuracy of extrapolation to 50 Jahre from 2000 h datas is approved. This means a extrapolation for 2,5 decade.
The first storage tanks made of polyethylene were produced in 1950s. Since this time computer programs for static calculation have gained credibility on the market, which can limit calculation costs. Standards and guidelines ensure the required standardization for this important market segment of plastics industry. Calculation rules are, inter alia, described in detail in standard EN 12573 or DVS 2205 part 2.
A simple wall dimensioning can often be estimated with sufficient accuracy by carrying out a calculation of stability to internal pressure on the one hand and to vacuum on the other.
Firstly must calculated with the traditional equation for inner pressure (acc. Peter Barlow) the required cylinder wall. The inner pressure depends from filling height, density of the liquid and permitted load. This can be conducted in different heights of the cylinder to get a staged and with it cost-efficient wall structure.
The permitted stress is the result of typical creep rupture curves (hydrostatic stenghts diagram) for the raw material, in consideration of the safety factor and the reduction coefficient for the specific ductility ( depending on the temperature), the joint factor (depending on the kind of welding) and the chemical loading by the liquid (tables of operating experience, inter alia DVS and DIBt, Germany). For the consideration of the bending moment you have to choose an additional factor, which takes the constraint of elongation of the cylinder in the area of joint between cylinder and bottom plate into account. The constraint of elongation respectively the stiffness depends by the thickness of the bottom plate. In practice this factor is between 1 (membrane bottom plate) and 1,82 (fixed bottom plate).

p: hydrostatic pressure [N/mm²]
g: acceleration of gravity [m/s²]For
r: density of the medium [kg/cm³]
sZS: minimum wallthickness for the consideration of loads [mm] C: factor for bending moment [-] di: inside diameter [mm] S: safety factor [-] s: load from hydrostatic strength diagram for the
present temperature [N/mm²]
A1: reduction coefficient specific ductility [-]
A2: reduction coefficient ambient medium [-] fs: long duration welding factor for homogenously
manufactured helical extruded pipes = 1
Table for specific ductility following DVS 2205 (dated 2010):
|
Material |
Operating temperature |
|||
|
-10°C |
20°C |
40°C |
60°C |
|
|
Polyethylene |
1,2 |
1 |
1 |
1 |
|
Polypropylene Homopolymer PP-H |
1,8 |
1,3 |
1 |
1 |
|
Polypropylene Copolymer PP-R |
1,5 |
1,1 |
1 |
1 |
Including the calculation of stability against vacuum, which can for example arise during emptying the tank or be caused by increasing wind suction, a good approach towards the statically required wall thicknesses can be reached. The minimum value for this vacuum, which could arise, has been set at 0,0003N/mm² by guideline DVS 2205.
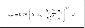
Equation for buckling of cylinders:

sZB: minimum wall thickness for buckling load [mm]
S: safety factor [-]
A2I: reduction coefficient ambient medium for consideration of stability [-]
hZ: high of cylinder [mm]
Spu: ^total vacuum loads [N/mm²] EK: creep modulus for period under consideration and temperature [N/mm²]
di: inside diameter [mm]
A concluding calculation can not be replaced by such a first consideration, as described before. However, it provides a good and quick indication to the required construction.
|
At Krah Community an Excel spread sheet can be downloaded by members for calculation of vertically tanks! |
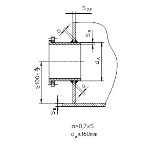
Design details for production of tanks
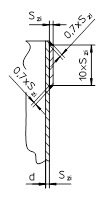
Normally, cylinder are fastened onto the bottom plate with double fillet weld, whereas a = 0,7 x sB . The bottom thickness sB should always be less than the thickness oft he cylinder sZ.
A rule of thumb for bottom plate dimensioning is sB = 0,8 x sZ.
|
Simple tank |
tank in tank system |
To give tanks the required stability, especially for use outdoors, the bottom plate often is anchored in the foundations. The ancors must be designed against the worst case of load. This concerns primarily dimensioning against wind and the resulting bending moment but also increasing pressure fluctuations can affect the load conditions. If anchors are necessary, at least four fastening anchors are needed to ensure a steady load bearing. The anchoring logically is to be carried out with help of separate fastening anchors so that the tank can move/slide sideward and relax. To ensure that be bottom plate of the tank can slide, an additional plastic plate with a thickness of app. 2 mm below the base is recommended. In this way no elongation under the influence of temperature or change of load can result in avoidable additional loads.
Anchoring of the bottom

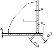
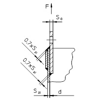
For fluidic and procedural reasons, the usage of tanks often leads to different bottom constructions than the typical flat-bottom (beveled or conical bottom,...). These geometries have to be statically calculated and professionally integrated into the overall construction by welding just as a flat-bottom. The accessibility of the welding zone is partly complicated and places special demands on welder and welding apparatus.
Depending on the angle the following designing rules are valid for the weld:

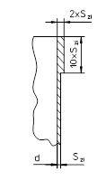
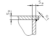
Reinforcement of the rim
Tanks, which are open to the top, need to have a reinforced rim. The minimum wall thickness, which is the result of the hydrostatic, does not lead to a sufficient stiffness, especially when talking about partial filling. There are several solutions to avoid this. The most useful variation is to use the flexibility in manufacturing of helical extruded pipes and to thicken the wall thickness during production at the rim of the container. A retrofitting solution is the welding of a separate stripe or the attachment and welding of an axial extruded pipe, which has been slotted before.
![]() |
![]() |
![]() |
Roof constructions
If containers, made of thermoplastics, are designed with a roof, normally conical roofs with a roof inclination of 15° or ripped flat roofs are used. A stability check is to be carried out for the dead weight plus vacuum. Special attention has to be paid to arising operating- and ambient temperatures. An accessibility of thermoplastic roofs is usually not intended, according to the safety regulations, but is still guaranteed by grates on separate platforms or by suitable ladders. When used in connection with platforms and ladders you have to take the different elongation by temperature of steel and thermoplastics into account. In either case, suitable slide bearings in the construction are needed to avoid loads.
Section through flat roof with two stiffeners and bulkheads,
with two variants for bearing flat roof on the cylinder:
|
Variant 1:
SV = SD and SV = 10 mm |
|
Variant 2:
a2 = 0,5 x Szmin |
Conical roof - Different variants for bearing roof on cylinder
![]() |
![]() |
![]() |
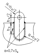
Lifting lugs
To make the lifting of a tank easier, two lifting lugs are welded on it. The dimensioning and the choice of the safety factor have to take account of possible dangers of floating loads. Account should be taken to the weight of the tank plus mounting parts. The required thickness of the lifting lug is situated within following limits: bÖ > sz and bÖ < 3 x sZ
The use of traverses protect the rim of the tank against avoidable deformations and it guaranty a vertical lifting without additional loads. It is important to note that in setting up a tank, which was transported in a laying position, the lifting lug is temporary loaded by thrust, torsion and bending. Furthermore, the hole diameter hast to be coordinated to the diameter of the shackle, to avoid inadmissible bearing stresses.
Design of lifting lugs:
![]() |
![]() |
Nozzles
Number and suitable dimension of nozzles is important for the dimensioning of the wall thickness, because every cutout can present a weakening. As smaller the nozzle, as smaller the weakening. By the use of DVS 2205 for dimensioning, nozzles in the cylinder wall are just permitted up to a diameter of 160 mm. Especially the lower section near to the bottom should be avoided if possible, because of the stress and the disability of elongation. If using storage tanks, the nozzles should be integrated into the roof, which requires no special calculative proof. This applies in particular to manways and nozzles with large diameter. The weld has to be made with fillet welds on both sides, which requires a minimum distance to the basement or installed equipment.
Nozzle in the cylinder shell:

Welding in cylinder walls
If cylinder walls are extended (helical extruded pipes can be manufactured in homogenous units up to a length of 6 m), following joints made by welding can be chosen dependent to the wall thickness constellation.
|
Staged walls: |
same wall thickness: |
|
|
|
Double wall tanks for hazardous liquids
As already mentioned, you need to make special arrangements for dangerous liquids where regulatory requirements differ in the countries. Widely similar is the requirement for a safety tank or a collection container, in which liquids can safely escape if there is a leakage. Tanks fabricated out of helical extruded pipes are available as “tank in tank” solution. For this purpose you integrate a hollow profile into the cylinder wall, which separates the inner wall from the outer wall on the one hand, which gives them different functions and serve as a leakage warning cavity on the other. A leakage sensor can be arranged in a way that it gives alarm when there is only a minimal leakage, which ensures best reaction time!
The inner wall performs a protective function and has to be statically designed in a way that it – supported by profile and outer wall – can cope with hydrostatic pressure. It also needs to have a suitable wall thickness to guarantee a proper welded joint to the double bottom.
The outer wall has to carry the total static load, which is transmitted from the inner wall over the profile outwards, which is why it is normally dimensioned in these premises. The outer wall normally is not exposed to long time affect by chemicals or hazardous liquids, which can be taken into account when calculating, what permits significant savings in the wall thickness. Moreover, the advantage is space-saving and the cheaper manufacturing.

Author:
Dipl.-Ing. Stephan Füllgrabe
Managing Director
Plaspitec GmbH
50670 Cologne
Germany
{jd_file file==35}
















